Os arranha-céus são um cartão de visita da cidade moderna, e o número de pessoas que vivem em arranha-céus também está aumentando, e o problema do consumo de água também está gradualmente exposto. O processo de abastecimento de água da comunidade viva, se o abastecimento de água da torneira por algum motivo pressão insuficiente ou cortes de água de curto prazo, afetará a vida dos moradores, de modo que o sistema tradicional de controle de abastecimento de água é gradualmente substituído pelo sistema de conversão de frequência.
O consumo de água em uma área residencial flutua muito, e as bombas, que estão no estado de frequência industrial há muito tempo, têm altos custos de eletricidade, maior desgaste mecânico e falhas de equipamentos e vida útil reduzida. Portanto, é necessário atualizar o sistema de controle de abastecimento de água para controlar o abastecimento de água aos pisos com pressão constante e obter economia de energia.
Solução INVT
Com o rápido desenvolvimento da tecnologia eletrônica de potência, as vantagens de desempenho do sistema de controle de velocidade de conversão de frequência estão se tornando cada vez mais óbvias, INVT usa0 VFD GD270 para controle de abastecimento de água de pressão constante de água no chão, a bomba adota o modo de um reboque dois, para realizar o ciclo da bomba, para obter economia de energia, e prolongar a vida útil do efeito motor.
- VFD da série GD270 para ventiladores e bombas Vantagem:
* Rápido de instalar e usar: funções integradas para aplicações na indústria de ventiladores e bombas (HVAC).
* Economia de energia e alta eficiência: integra um novo algoritmo de economia de energia ECO para economizar custos operacionais.
* Atualização de proteção: A placa de circuito central vem de fábrica com um revestimento protetor mais espesso.
* O desempenho EMC é garantido.
* Possui função de economia de energia de abastecimento de água sob pressão constante
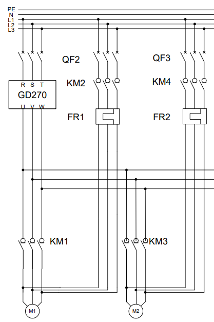
- Diagrama do Sistema de Programas

Benefício para o cliente
* Custo: O máximo pode realizar uma função de abastecimento de água de 8 ciclos, VFD selecionada máquina tipo P correspondente à potência do motor, o uso de um reboque duas aplicações, economizando custos de equipamentos;
* Eficiência: capaz de realizar rápida aceleração e desaceleração, a velocidade da bomba por um curto período para a frequência de trabalho, para proteger o abastecimento de água da comunidade;
* Economia de energia: o fator de potência do motor, reduzindo a corrente de entrada, reduzindo a frequência de operação, eficiência de economia de energia de cerca de 30% ou mais, cerca de economia anual de mais de 20.000 yuans em custos de eletricidade.
O sistema de controle de abastecimento de água de pressão constante de conversão de frequência INVT GD270, não só tem um abastecimento de água de pressão constante separado também pode ser usado com várias bombas ao mesmo tempo, para garantir a qualidade do abastecimento de água na comunidade, o efeito de economia de energia é óbvio, alta confiabilidade. Portanto, o projeto do sistema de controle de abastecimento de água da comunidade para economia de energia e melhoria da qualidade do abastecimento de água tem um significado prático importante, para promover o gerenciamento do abastecimento de água residencial para modernização, tecnologia e transformação inteligente.




Nosso site utiliza cookies para oferecer a você uma melhor experiência de navegação. Ao continuar a navegar no site, você concorda com o uso de cookies de acordo com nossa Política de Cookies.