1. Contexto
As bombas de polpa são equipamentos essenciais na produção industrial e são amplamente utilizadas em indústrias como fabricação de papel, produção de açúcar, mineração, indústria química e tratamento de esgoto. Elas são especialmente usadas para transportar polpa ou outros fluidos de alta viscosidade e alta abrasividade que contêm partículas sólidas (como fibras e abrasivos). No entanto, os sistemas de acionamento de motores tradicionais apresentam problemas como alto consumo de energia, grandes perdas e altos custos de manutenção, o que dificulta atender às necessidades da indústria moderna por operação eficiente, econômica e confiável. Portanto, buscar um novo tipo de solução de acionamento eficiente e econômica tornou-se uma necessidade urgente para as empresas industria is.

2. Solicitação do Cliente
Uma empresa da indonésia estabeleceu os seguintes requisitos específicos para a modernização do sistema de acionamento em sua linha de produção de celulose:
* Controle simples: O sistema precisa apresentar excelentes características de partida e desempenho de regulação de velocidade, além de um alto torque de partida para se adaptar às necessidades operacionais em diferentes condições de trabalho.
* Economia de energia: O sistema de acionamento precisa apresentar significativa economia de energia para reduzir os custos operacionais a longo prazo.
Operação confiável: O sistema precisa ter alta confiabilidade, baixa manutenção e reduzir o tempo de inatividade e os custos de manutenção.
* Alto custo benefício: Além de atender aos requisitos de desempenho, o sistema deve apresentar um alto custo-benefício.
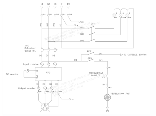
* Garantia da qualidade da saída do inversor de frequência: A distância entre o motor e o inversor é de 250 metros, e a qualidade da saída do inversor de frequência (VFD) deve ser estável e confiável.
3. Solução INVT
Em resposta às necessidades específicas do cliente, a INVT propôs uma solução de acionamento baseada no inversor GD350A e no motor de relutância síncrona (SynRM). Essa solução apresenta as vantagens de alta eficiência e economia de energia, excelente desempenho de controle e manutenção facilitada.
O inversor da série GD350A é utilizado para suportar diversos controles de motores, como assíncronos, síncronos de ímã permanente e de relutância síncrona. O algoritmo de controle foi aprimorado, melhorando significativamente o desempenho do controle do motor. O motor de relutância síncrona é robusto e confiável, energeticamente eficiente, possui uma ampla faixa de regulação de velocidade e é fácil de manter. Por não possuir ímãs permanentes no rotor, não há risco de desmagnetização e a eficiência permanece estável a longo prazo. O painelGD800 PRO utiliza reatores CC, reatores de entrada e reatores de saída integrados para garantir a qualidade da saída do inversor de frequência em longas distâncias e atender ao requisito de distância de 250 metros entre o motor e o inversor. Combinado com o mais recente algoritmo de controle de motor de relutância síncrona, apresenta excelente desempenho de controle, alto torque de partida, boa regulação de velocidade e significativa economia de energia.


4. Benefícios para o Cliente
* Alta eficiência e economia de energia: A combinação do motor de relutância síncrona e do inversor GD350A melhora significativamente a eficiência operacional da bomba de polpa, reduzindo o consumo de energia e os custos operacionais da empresa.
* Estável e confiável: O sistema opera de forma estável e possui excelente desempenho de controle, o que reduz o tempo de inatividade e os custos de manutenção, além de aumentar a eficiência da produção.
* Acionamento de longa distância: Ao integrar o reator CC, o reator de entrada e o reator de saída, a qualidade da saída de longa distância do inversor de frequência é garantida, atendendo ao requisito de distância de 250 metros entre o motor e o inversor, e melhorando a flexibilidade e a aplicabilidade do sistema.




5. Resumo
O caso de aplicação do GD350A da INVT acionando um motor de relutância síncrona em uma bomba de polpa demonstra plenamente a força técnica e as soluções consolidadas da INVT na área de controle de motores síncronos. A prática comprovou que essa solução atende plenamente aos requisitos de uso do cliente e traz benefícios econômicos e sociais significativos. Com uma linha completa de produtos de alta, média e baixa tensão, a INVT possui soluções de processo completas e consolidadas, além de ter acumulado vasta experiência técnica. A empresa continuará a fornecer soluções de acionamento eficientes, econômicas e confiáveis para o setor de automação industrial.

Nosso site utiliza cookies para oferecer a você uma melhor experiência de navegação. Ao continuar a navegar no site, você concorda com o uso de cookies de acordo com nossa Política de Cookies.